×
neos-3759587-noosa: Instance-to-Instance Comparison Results
| Type: | Instance |
| Submitter: | Jeff Linderoth |
| Description: | (None provided) |
| MIPLIB Entry |
Parent Instance (neos-3759587-noosa)
All other instances below were be compared against this "query" instance.![]() ![]() |
![]() |
![]() |
![]() |
![]() |
![]() |
|
Raw
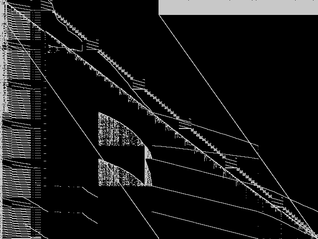
This is the CCM image before the decomposition procedure has been applied.
|
Decomposed
This is the CCM image after a decomposition procedure has been applied. This is the image used by the MIC's image-based comparisons for this query instance.
|
Composite of MIC Top 5
Composite of the five decomposed CCM images from the MIC Top 5.
|
Composite of MIPLIB Top 5
Composite of the five decomposed CCM images from the MIPLIB Top 5.
|
Model Group Composite Image
Composite of the decomposed CCM images for every instance in the same model group as this query.
|
MIC Top 5 Instances
These are the 5 decomposed CCM images that are most similar to decomposed CCM image for the the query instance, according to the ISS metric.![]() ![]() |
Decomposed
These decomposed images were created by GCG.
|
![]() |
![]() |
![]() |
![]() |
![]() |
| Name | neos-3755335-nizao [MIPLIB] | nj3 [MIPLIB] | shiftreg5-1 [MIPLIB] | icir97_potential [MIPLIB] | neos-3611447-jijia [MIPLIB] | |
|
Rank / ISS
The image-based structural similarity (ISS) metric measures the Euclidean distance between the image-based feature vectors for the query instance and all other instances. A smaller ISS value indicates greater similarity.
|
1 / 0.674 | 2 / 0.869 | 3 / 0.965 | 4 / 1.082 | 5 / 1.153 | |
|
Raw
These images represent the CCM images in their raw forms (before any decomposition was applied) for the MIC top 5.
|
![]() |
![]() |
![]() |
![]() |
![]() |
MIPLIB Top 5 Instances
These are the 5 instances that are most closely related to the query instance, according to the instance statistic-based similarity measure employed by MIPLIB 2017![]() ![]() |
Decomposed
These decomposed images were created by GCG.
|
![]() |
![]() |
![]() |
![]() |
![]() |
| Name | neos-3755335-nizao [MIPLIB] | istanbul-no-cutoff [MIPLIB] | supportcase37 [MIPLIB] | neos-872648 [MIPLIB] | neos-873061 [MIPLIB] | |
|
Rank / ISS
The image-based structural similarity (ISS) metric measures the Euclidean distance between the image-based feature vectors for the query instance and all model groups. A smaller ISS value indicates greater similarity.
|
1 / 0.674 | 29 / 1.583 | 338 / 1.955 | 580 / 2.090 | 585 / 2.093 | |
|
Raw
These images represent the CCM images in their raw forms (before any decomposition was applied) for the MIPLIB top 5.
|
![]() |
![]() |
![]() |
![]() |
![]() |
Instance Summary
The table below contains summary information for neos-3759587-noosa, the five most similar instances to neos-3759587-noosa according to the MIC, and the five most similar instances to neos-3759587-noosa according to MIPLIB 2017.
| INSTANCE | SUBMITTER | DESCRIPTION | ISS | RANK | |
|---|---|---|---|---|---|
| Parent Instance | neos-3759587-noosa [MIPLIB] | Jeff Linderoth | (None provided) | 0.000000 | - |
| MIC Top 5 | neos-3755335-nizao [MIPLIB] | Jeff Linderoth | (None provided) | 0.673763 | 1 |
| nj3 [MIPLIB] | Jonathan Eckstein | Electoral district design with various levels of symmetry breaking constraints. | 0.868941 | 2 | |
| shiftreg5-1 [MIPLIB] | Domenico Salvagnin | Multi-activity shift scheduling problem with 5 activities and 24 employees, using an implicit model based on a regular language. | 0.965124 | 3 | |
| icir97_potential [MIPLIB] | MIPLIB submission pool | Imported from the MIPLIB2010 submissions. | 1.081701 | 4 | |
| neos-3611447-jijia [MIPLIB] | Jeff Linderoth | (None provided) | 1.152776 | 5 | |
| MIPLIB Top 5 | neos-3755335-nizao [MIPLIB] | Jeff Linderoth | (None provided) | 0.673763 | 1 |
| istanbul-no-cutoff [MIPLIB] | Utz-Uwe Haus | Exact MILP reformulation using binary decision diagrams to obtain scenario bundles of 2-stage stochastic expected shortest path and expected maximum flow problem with decision dependent scenario probabilities. Notes: * very few binary variables * for each fixing of the binaries a system of equations computing conditioned probabilities remains | 1.582914 | 29 | |
| supportcase37 [MIPLIB] | Domenico Salvagnin | Instance coming from IBM developerWorks forum with unknown application. | 1.955079 | 338 | |
| neos-872648 [MIPLIB] | NEOS Server Submission | Imported from the MIPLIB2010 submissions. | 2.090155 | 580 | |
| neos-873061 [MIPLIB] | NEOS Server Submission | Imported from the MIPLIB2010 submissions. | 2.093275 | 585 |
neos-3759587-noosa: Instance-to-Model Comparison Results
| Model Group Assignment from MIPLIB: | neos-pseudoapplication-61 |
| Assigned Model Group Rank/ISS in the MIC: | 2 / 1.298 |
MIC Top 5 Model Groups
These are the 5 model group composite (MGC) images that are most similar to the decomposed CCM image for the query instance, according to the ISS metric.![]() ![]() |
These are model group composite (MGC) images for the MIC top 5 model groups.
|
![]() |
![]() |
![]() |
![]() |
![]() |
| Name | neos-pseudoapplication-91 | neos-pseudoapplication-61 | nj | hypothyroid | shiftreg | |
|
Rank / ISS
The image-based structural similarity (ISS) metric measures the Euclidean distance between the image-based feature vectors for the query instance and all other instances. A smaller ISS value indicates greater similarity.
|
1 / 1.260 | 2 / 1.299 | 3 / 1.796 | 4 / 1.828 | 5 / 1.839 |
Model Group Summary
The table below contains summary information for the five most similar model groups to neos-3759587-noosa according to the MIC.
| MODEL GROUP | SUBMITTER | DESCRIPTION | ISS | RANK | |
|---|---|---|---|---|---|
| MIC Top 5 | neos-pseudoapplication-91 | Jeff Linderoth | (None provided) | 1.259726 | 1 |
| neos-pseudoapplication-61 | NEOS Server Submission | Imported from the MIPLIB2010 submissions. | 1.298577 | 2 | |
| nj | Jonathan Eckstein | Electoral district design with various levels of symmetry breaking constraints. | 1.796366 | 3 | |
| hypothyroid | Gleb Belov | Linearized Constraint Programming models of the MiniZinc Challenges 2012-2016. I should be able to produce versions with indicator constraints supported by Gurobi and CPLEX, however don't know if you can use them and if there is a standard format. These MPS were produced by Gurobi 7.0.2 using the MiniZinc develop branch on eb536656062ca13325a96b5d0881742c7d0e3c38 | 1.827877 | 4 | |
| shiftreg | Domenico Salvagnin | Multi-activity shift scheduling problem with 1 activity and 12 employees, using an implicit model based on a regular language. | 1.839343 | 5 |































